ATmega8A Microcontroller Q2 C7
Delivery Options
Get delivery at your doorstep
Pin Description of ATmega8A Microcontroller
ATmega8A-Microcontroller
Features of ATmega8A Microcontroller
Advanced RISC Architecture
130 Powerful Instructions, 32 × 8 General Purpose Working Registers,
Fully Static Operation,
Up to 16 MIPS Throughput at 16MHz, On-chip 2-cycle Multiplier
23 Programmable I/O Lines
Operating Voltages : 4.5V - 5.5V
Power Consumption at 4Mhz, 3V, 25°C : Active: 3.6mA ;Idle Mode: 1.0mA ;Power-down Mode: 0.5µA
Five Sleep Modes: Idle, ADC Noise Reduction, Power-save, Power-down, and Standby
Internal Calibrated RC Oscillator
External and Internal Interrupt Sources
Programmable Serial USART
Real Time Counter with Separate Oscillator
Three PWM Channels
8Kbytes of In-System Self-programmable Flash program memory, 512Bytes EEPROM, 1Kbyte Internal SRAM
Data retention: 20 years at 85°C/100 years at 25°C
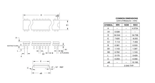
Dimensional Drawing of ATmega8A Microcontroller
Dimensional Drawing of ATmega8A
Additional Resources
ATmega8A Microcontroller datasheet
Package Contents
1× ATmega8A Microcontroller
Reviews and Ratings
No Customer Reviews
Share your thoughts with other customers






